Generally, you may install up to a four-foot tall fence in any front yard area. In the side or rear yard, you may install up to a six-foot tall fence. All fences must be located entirely on your property and may not obstruct the view of any adjacent roads or driveways. All support structures for the fence must be located facing the property to whom the fence belongs. No barbed wire fencing is permitted. Building Permits are not required for fence installation.
Swimming pools must be located in the side or rear yard. A ten-foot setback must be maintained between any side or rear property line. A barrier in compliance with the State Building code must surround all swimming pools.
The Cascade Township Sign Ordinance specifically prohibits the placement of any temporary signs in the township. This includes banner signs and trailer signs. Real estate signs are permitted provided they are located on the property that is for sale.
See the Zoning Map and Zoning Ordinance for your classification and permitted uses.
In the restricted area, which include properties lying west of Buttrick Avenue and north of Interstate 96, and north 28th Street and west of Interstate 96, a property owner is expected to maintain their property within the established and prevailing neighborhood standard. In most cases, property owners are required to cut their grass once it has reached eight inches in length. If you are concerned about your neighbor’s grass the community standards officer will respond and determine a course of action.
Dead trees that are deemed hazardous to the public or an adjoining property will have to be removed. If you have a concern about a dead tree, the community standards officer will inspect the tree in question and determine if it must be removed.
Any vehicle that is stored on a resident’s property for more than 48 hours must be road ready. This means it must have a valid registration, and be able to be started and driven legally on the road. If a vehicle is not registered, or is not able to operate, it must be stored within an enclosed building or removed from the property.
Please see Chapter 277 Parking of the Cascade Township General Code. A summary of the requirements is as follows:
From November 30 to May 15
The outdoor storage or parking of recreational vehicles or noncommercial trucks is only permitted if parked with the following conditions:
- Parked in a fully enclosed building or behind the furthest front face of the main building from the front property line.
- 5ft setback from any property line.
- Parked on a property with an inhabited dwelling, and the vehicle is owned by the occupant of that dwelling.
From May 15 to November 30
The parking location regulations above are suspended. Such vehicles may be parked in the front yard but must still maintain a 5ft setback to any property line.
All accessory buildings must receive zoning approval for the placement of the building. All accessory buildings over 832 square feet in size are required to get a building permit and a Type 1 Special Use Permit from the Planning Commission. All Accessory Buildings over 200 Sq. Ft. are required to get a building permit.
- On residential lots of less than 3 acres, only one accessory building in addition to an attached or detached private garage is permitted. On residential lots of 3-6 acres or more, two accessory buildings in addition to an attached or detached garage may be permitted. On residential lots greater than 6 acres 3 accessory buildings may be permitted.
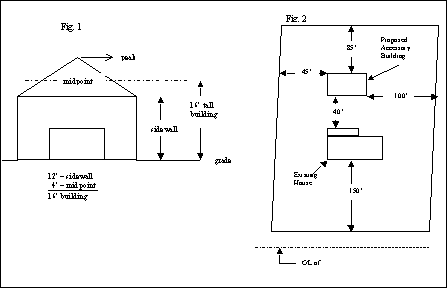
- The following table shall be used to determine the minimum setbacks and maximum height requirement and also whether accessory buildings shall be approved under the provisions of Chapter 17, Special Use.
Maximum Height to Midpoint of Roof Min. Bldg. Side
Yard SetbackMin. Bldg. Rear
Yard SetbackSpecial Use
Permit RequiredUp to 14' Min. – 10’ Min. – 25’ Over 832 sq. ft. 15’- 18’ Min. – 40’ Min. – 40’ Over 832 sq. ft. 19’- 22’ Min. – 60’ Min. – 60’ Over 832 sq. ft. - A customary private garage shall consist of any one private garage attached to a principal dwelling unit, or in its place, any one detached private garage. One such garage is permitted by right on any lot or parcel occupied for residential purposes.
- The maximum size of a detached private garage is permitted by right shall be 832 square feet of floor area. Detached private garages exceeding 832 square feet shall only be allowed with a Type I Special Use Permit.
- The maximum size of a private garage attached to a dwelling unit shall be limited to 832 square feet for the first 1300 square feet of habitable floor area contained in the dwelling. In addition, for each whole increment of 5 square feet that the floor area of the dwelling unit exceeds 1300 square feet, the floor area of the attached garage may be increased by 1 square foot.
- Accessory buildings on residential lots shall not directly or indirectly involve any business, trade, occupation or profession.
- The following standards shall apply to all accessory buildings:
- The architectural character of accessory buildings in excess of 200 square feet shall be compatible and similar to the principal building.
- No accessory building shall be constructed on any parcel on which there is no principal building. If an accessory building and principal building are to be erected concurrently, a building permit for the accessory building will not be issued until such time that construction of the principal building has been at least 50% completed.
- Accessory structures other than attached porches and garages shall not be located in the front yard area of any lot except as allowed in Chapter 17, Section 17.03(b) or for a lot having water frontage where a customary detached private garage is permitted if it is located behind the applicable required front yard setback line for the district.
- The distance between accessory buildings in excess of 200 square feet and any principal building shall not be less than 10 feet.
- All residential accessory buildings that require a Type I Special Use Permit shall be approved according to the procedure outlined on the “Special Use Permit Process Sheet”.
- The following (Fig. 1) is an example of how to measure the height of the building.
- The following (Fig. 2) is an example of an acceptable site plan that is required with an application for a Type I Special Use Permit for an accessory building.
